徒手处理生猪肉,在一般人眼里,是再正常不过的事情。不过,有医生提醒:如果手上有伤口或者倒刺,处理生猪肉时,最好佩戴手套。
日前,广东肇庆一猪肉摊主就在处理生猪肉时,不慎感染猪链球菌,险些丧命。
50岁的张大叔(化姓)在肇庆当地卖猪肉已有六七年的时间。10月下旬,一向身体健硕的他突然感觉脖子、腰背总是莫名其妙地酸胀。起初,他以为是感冒,便没有过多留意。10月25日上午,张大叔突然剧烈头痛,家属见状,便急忙将他送医。
在当地医院,医生发现他头颅的CT检查没有明显异常,但对症治疗的效果却不明显。万万没想到的是,当天傍晚,张大叔的病情急剧恶化。
“体温高烧到40.2℃,整个人烦躁不安,手脚乱动,跟‘疯’了一样。”张大叔的家属田女士说。为寻求进一步治疗,10月26日,张大叔辗转来到广州的专科医院求医。
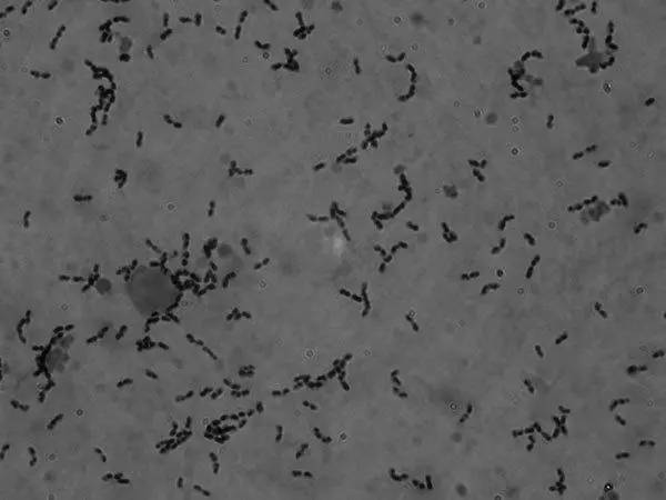
接诊的广东三九脑科医院神经内二科包泽岩主治医师为患者查体时,发现他左手拇指上有一个黄豆大小的伤口。考虑到患者有生猪肉接触史,且脑膜刺激征为阳性,医生初步诊断是猪链球菌感染导致的脑膜炎。最终,在患者的脑脊液中找到了猪链球菌,进一步证实了包泽岩的诊断。
经过抗感染等对症治疗,张大叔的意识逐渐清醒。10月30日,他已经能正常地沟通交流,四肢活动自如,脖子、腰和头部的疼痛也明显好转,将于近日康复出院。
钟水生表示,猪链球菌惧怕高温,只要将猪肉加热到100℃,就可以将猪链球病毒立即杀死;在60℃以上的温度下炖煮10~12分钟,也可以把这种病毒完全杀灭。
同时他强调,市民要通过正规渠道购买猪肉。皮肤若有伤口,要避免接触生猪肉。此外,食品加工应该生熟分开,避免交叉污染。一旦怀疑患病,一定要及时就医。
编辑
